Hoof System
Provides pressure data for the analysis, interpretation, and treatment of equine or large animal gait and ambulatory function.
Not available for online purchase.
Contact us for pricing
Have questions? Contact Us
Provides pressure data for the analysis, interpretation, and treatment of equine or large animal gait and ambulatory function.
Not available for online purchase.
Contact us for pricing
The Hoof System combines practical biomechanics with computer-aided technology to revolutionize the analysis, interpretation, and treatment of equine or large animal gait and ambulatory function. It offers instantaneous data at every critical phase by providing objective, quantifiable data to effectively treat lameness, hoof, shoeing, and other gait-related disorders in shod and unshod animals.
Hoof System Features & Benefits
|
![]() |

The Hoof System is Used by Veterinarians and Researchers to: |
|
|
|
|
Tekscan systems consist of scanning electronics, software and patented thin-film sensors. Data is transmitted wirelessly from the subject to the computer, allowing for a wide range of applications. The subject can be up to 100 meters away and data can be recorded and displayed on the computer in real time. The Hoof System includes:
|
|
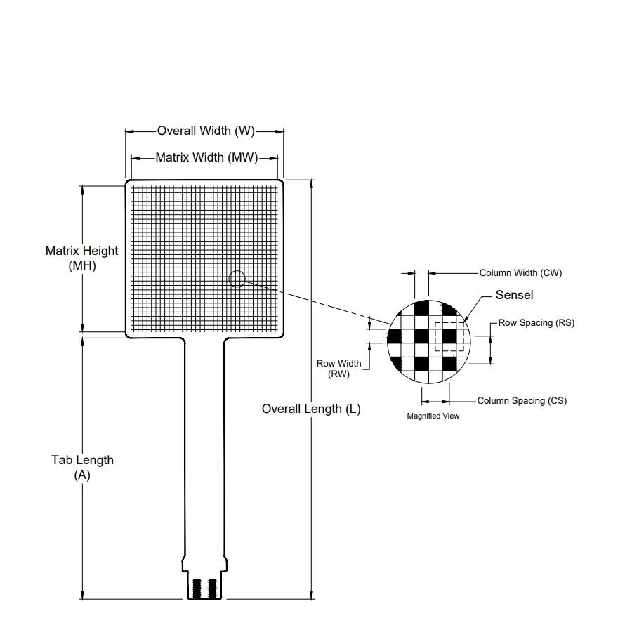
Medical Sensor 3210
|
|
The software is available in several languages including Spanish, French and German. View available software languages.
|
|